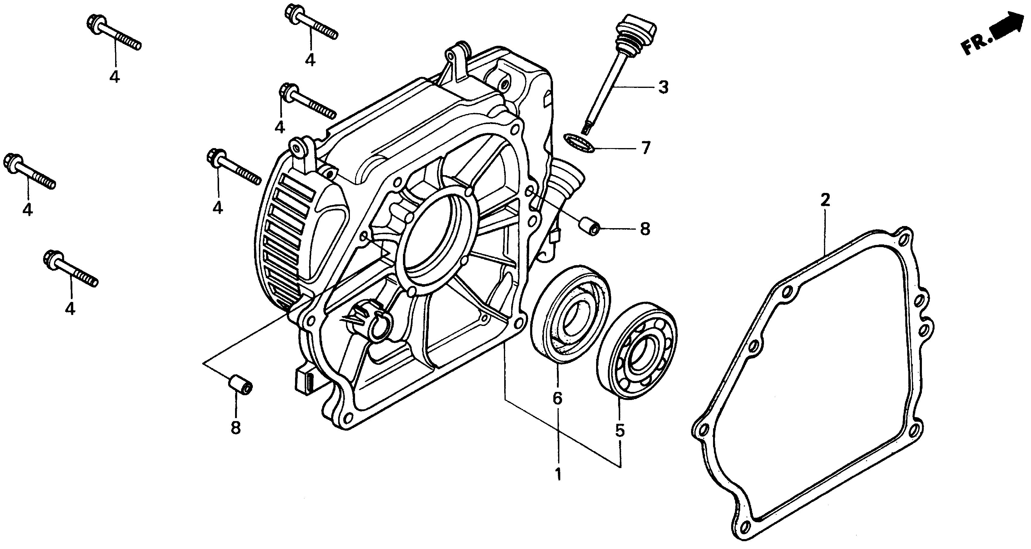
Generators EZ EZ2500 EZ2500 A EZEJ-1000001-9999999 CRANKCASE COVER - Rod's Power Sports

Ref No
Part Number
Description
Serial Range
Qty
Price

Ref No
1
Part Number
11300-ZB2-040
Description
COVER ASSY., CRANKCASE
Serial Range
1000001 - 9999999
Qty
Price
$194.08

Ref No
2
Part Number
11381-ZB2-800
Description
GASKET, CASE COVER
Serial Range
1000001 - 9999999

Ref No
3
Part Number
15620-ZB2-000
Description
CAP, OIL FILLER
Serial Range
1000001 - 9999999
Qty
Price
$13.56

Ref No
4
Part Number
95701-08032-00
Description
BOLT, FLANGE (8X32)
Serial Range
1000001 - 9999999

Ref No
5
Part Number
96100-62050-00
Description
BEARING, RADIAL BALL (6205)
Serial Range
1000001 - 9999999

Ref No
6
Part Number
91201-Z0T-801
Description
OIL SEAL (25X41X6) (NOK)
Serial Range
1000001 - 9999999

Ref No
7
Part Number
91303-800-000
Description
O-RING (16MM)
Serial Range
1000001 - 9999999

Ref No
8
Part Number
94301-08140
Description
PIN, DOWEL (8X14)
Serial Range
1000001 - 9999999
Qty
Price
$2.74