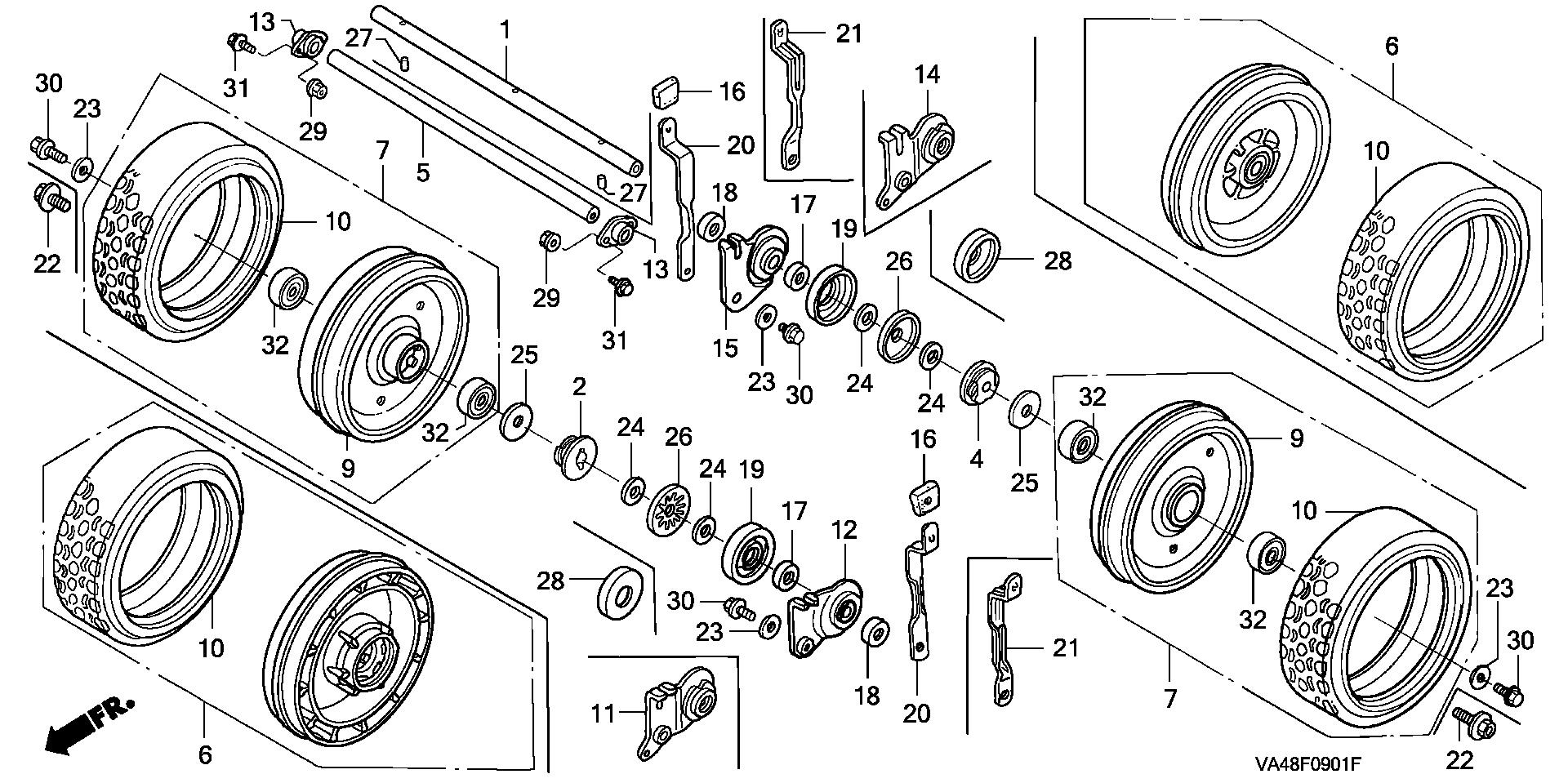
Lawn Mowers HRC HRC215 HRC215 PXA MZAU-6000001-6099999 REAR WHEEL (HRC215, HRC216, HRC216K1) - Rod's Power Sports

Ref No
Part Number
Description
Serial Range
Qty
Price

Ref No
1
Part Number
23251-VB5-N30
Description
SHAFT, FINAL (NOT AVAILABLE)
Serial Range
6111762 - 9999999

Ref No
7
Part Number
42710-VB5-803
Description
WHEEL (9") (NOT AVAILABLE)
Serial Range
1000001 - 9999999

Ref No
10
Part Number
42861-VB5-J00
Description
TIRE (9") (NOT AVAILABLE)
Serial Range
1000001 - 9999999
Qty
Price
$38.86

Ref No
12
Part Number
42930-VB5-802
Description
ARM, R. RR. ADJUSTER (NOT AVAILABLE)
Serial Range
1000001 - 9999999

Ref No
13
Part Number
42936-VB5-800
Description
HOLDER, RR. AXLE (NOT AVAILABLE)
Serial Range
1000001 - 9999999

Ref No
15
Part Number
42940-VB5-802
Description
ARM, RR. ADJUSTER (NOT AVAILABLE)
Serial Range
1000001 - 9999999

Ref No
16
Part Number
42952-VA4-000
Description
GRIP, ADJUSTER
Serial Range
1000001 - 9999999
Qty
Price
$5.08

Ref No
17
Part Number
42957-VB5-N30
Description
COLLAR, WHEEL
Serial Range
1000001 - 9999999
Qty
Price
$6.86

Ref No
18
Part Number
42957-VB5-802
Description
COLLAR, DUST SEAL
Serial Range
1000001 - 9999999
Qty
Price
$5.58

Ref No
18
Part Number
42957-VB5-802
Description
COLLAR, DUST SEAL
Serial Range
1000001 - 9999999
Qty
Price
$5.58

Ref No
21
Part Number
42961-VB5-802
Description
PLATE, RR. ADJUSTER (NOT AVAILABLE)
Serial Range
1000001 - 9999999

Ref No
23
Part Number
90505-SD9-000
Description
WASHER, RR. ENGINE MOUNTING
Serial Range
6117044 - 9999999
Qty
Price
$9.32

Ref No
27
Part Number
91101-VA4-801
Description
ROLLER (5X23.8)
Serial Range
1000001 - 9999999

Ref No
28
Part Number
91554-VB5-P00
Description
COLLAR, FINAL SHAFT
Serial Range
1000001 - 9999999
Qty
Price
$6.78

Ref No
29
Part Number
94050-06000
Description
NUT, FLANGE (6MM)
Serial Range
1000001 - 9999999
Qty
Price
$0.82

Ref No
30
Part Number
95701-08016-00
Description
BOLT, FLANGE (8X16)
Serial Range
1000001 - 9999999
Qty
Price
$2.20

Ref No
31
Part Number
95701-06012-00
Description
BOLT, FLANGE (6X12)
Serial Range
1000001 - 9999999
Qty
Price
$1.98

Ref No
32
Part Number
96150-60020-10
Description
BEARING, RADIAL BALL (6002UU)
Serial Range
1000001 - 9999999
Qty
Price
$17.48