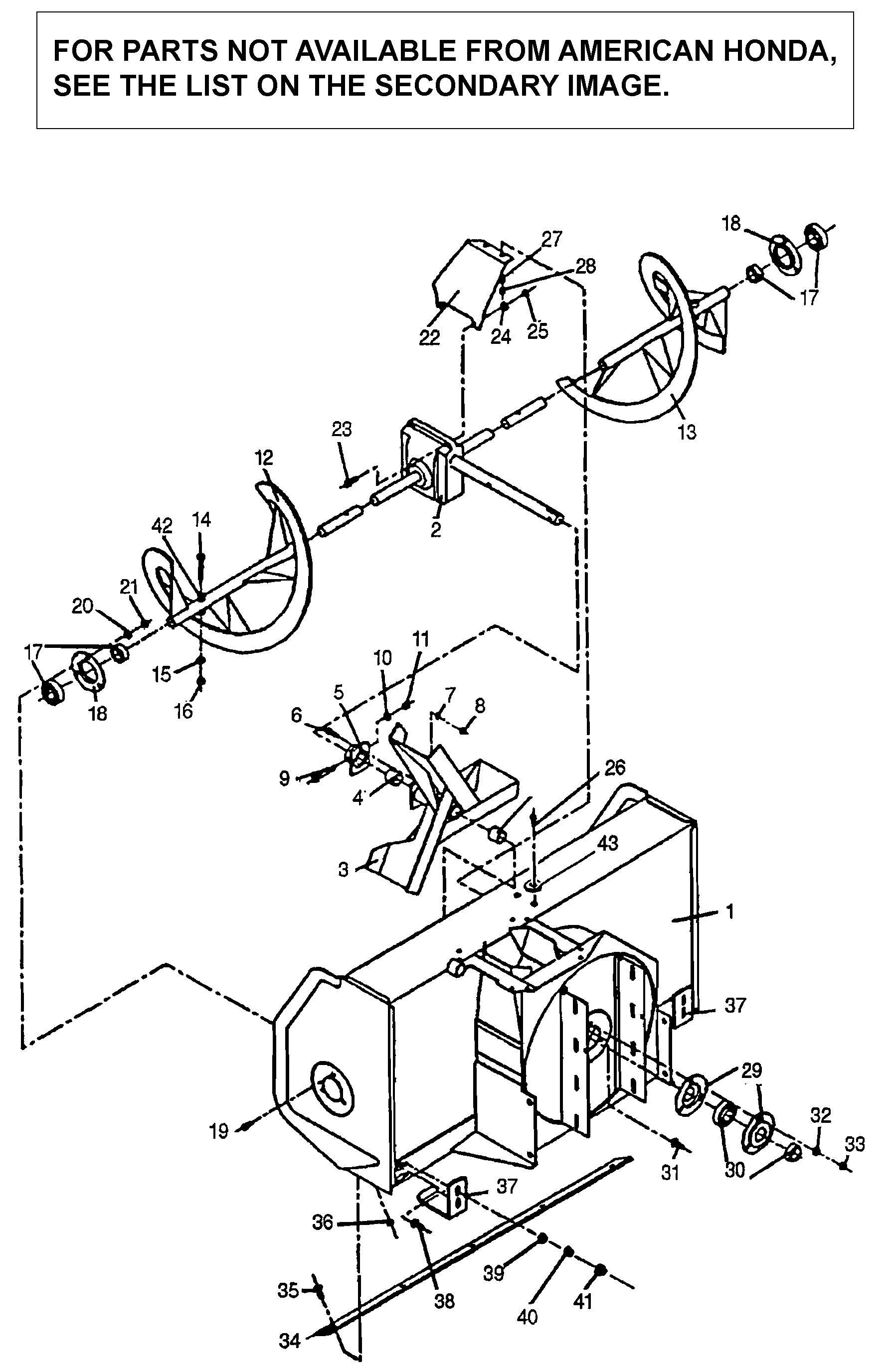
Ref No
Part Number
Description
Serial Range
Qty
Price
Ref No 2
Part Number 72998-0061
Description BOX, REDUCTION (NOT AVAILABLE)
Serial Range 1000401 - 9999999
Ref No 3
Part Number 72998-4002
Description FAN ASSY.
Serial Range 1000001 - 9999999
Ref No 4
Part Number 72998-0008
Description BUSHING (NOT AVAILABLE)
Serial Range 1000001 - 9999999
Ref No 5
Part Number 72998-4004
Description PLATE, SHEAR FAN ADAPTER
Serial Range 1000001 - 9999999
Qty
Price $20.37
Add To Cart
Ref No 6
Part Number 72998-0076
Description BOLT, SHEAR FAN
Serial Range 1000001 - 9999999
Qty
Price $6.61
Add To Cart
Ref No 9
Part Number 72998-0027
Description BOLT, SHEAR (5/16X2") (GR. 5)
Serial Range 1000001 - 9999999
Qty
Price $5.96
Add To Cart
Ref No 9
Part Number 72998-0027
Description BOLT, SHEAR (5/16X2") (GR. 5)
Serial Range 1000401 - 9999999
Qty
Price $5.96
Add To Cart
Ref No 12
Part Number 72998-0068
Description AUGER, L.
Serial Range 1000001 - 1000400
Qty
Price $182.14
Add To Cart
Ref No 12
Part Number 72998-0086
Description AUGER, L.
Serial Range 1000401 - 9999999
Ref No 13
Part Number 72998-0069
Description AUGER, R.
Serial Range 1000001 - 1000400
Ref No 13
Part Number 72998-0087
Description AUGER, R.
Serial Range 1000401 - 9999999
Qty
Price $195.52
Add To Cart
Ref No 14
Part Number 72998-0027
Description BOLT, SHEAR (5/16X2") (GR. 5)
Serial Range 1000001 - 9999999
Qty
Price $5.96
Add To Cart
Ref No 14
Part Number 72998-0027
Description BOLT, SHEAR (5/16X2") (GR. 5)
Serial Range 1000401 - 9999999
Qty
Price $5.96
Add To Cart
Ref No 17
Part Number 72998-4009
Description BEARING, W/LOCKING SCREW
Serial Range 1000001 - 9999999
Qty
Price $65.17
Add To Cart
Ref No 18
Part Number 72998-0034
Description BEARING, FLANGE
Serial Range 1000001 - 9999999
Qty
Price $2.84
Add To Cart
Ref No 22
Part Number 72998-0060
Description BRACKET, WORM GEAR SUPPORT
Serial Range 1000001 - 9999999
Qty
Price $26.46
Add To Cart
Ref No 29
Part Number 72998-0002
Description BEARING, FLANGE (NOT AVAILABLE)
Serial Range 1000001 - 9999999
Ref No 30
Part Number 72998-0001
Description BEARING (W/LOCKING COLLAR)
Serial Range 1000001 - 9999999
Ref No 34
Part Number 72998-0077
Description CUTTING EDGE
Serial Range 1000001 - 9999999
Qty
Price $156.80
Add To Cart
Ref No 37
Part Number 72998-0031
Description SHOE, SKID
Serial Range 1000001 - 9999999
Qty
Price $43.88
Add To Cart
Ref No 37
Part Number 76150-VE4-N00
Description SHOE, SKID
Serial Range 1000001 - 9999999
Qty
Price $43.88
Add To Cart
Ref No 42
Part Number 72998-0040
Description WASHER, SHEAR (3/8") (NOT AVAILABLE)
Serial Range 1000001 - 9999999